ÀÖÓãleyu

ÁªÏµÀÖÓãleyu| ÉèΪÊ×Ò³| ¼ÓÈëÕ䲨
°ì¹«OA ΢ÐÅ
ÄúÄ¿½ñµÄλÖÃÊÇÔÚ£ºÊ×Ò³ > ÐÂÎÅÖÐÐÄ > ͨ¸æ¹«Ê¾
ÀÖÓãleyu1#¸ÚλÄཬ³ØÖÕ¶ËÖÐת³¡×°±¸½¨É蹤³ÌÕбêͨ¸æ
½ÒÏþʱ¼ä£º2020-06-15 16:00:06    ä¯ÀÀÁ¿£º1459´Î    ×÷Õߣº    ÈªÔ´£º

1.ÕбêÌõ¼þ

ÀÖÓãleyu1#¸ÚλÄཬ³ØÖÕ¶ËÖÐת³¡½¨É蹤³Ì£¬£¬£¬£¬ÕбêÈËΪÎÂÖÝÊÐÀÖÓãleyuɰʯÁÏÓÐÏÞ¹«Ë¾£¬£¬£¬£¬½¨Éè×ʽðÀ´×Ô×Գ£¬£¬£¬ÏîÄ¿³ö×ʱÈÀýΪ100%¡£¡£ ¡£¡£ ¡£ÏîÄ¿ÒѾ߱¸ÕбêÌõ¼þ£¬£¬£¬£¬ÏÖ¶Ô¸ÃÏîÄ¿µÄÊ©¹¤¾ÙÐйûÕæÕбê¡£¡£ ¡£¡£ ¡£

2.¹¤³Ì¸Å¿öÓëÕÐ±ê¹æÄ£

2.1½¨ÉèËùÔÚ£ºÀÖÓãleyuÆð²½Çø4#ÄÚ£»£»£»

2.2½¨Éè¹æÄ££º°üÀ¨Äཬ¹ÜµÀ¡¢Äཬ±Ã¡¢Äཬƽ̨µÈ½¨É裻£»£»

2.3ÕÐ±ê¹æÄ££ºÀÖÓãleyu1#¸ÚλÄཬ³µÔËÖÕ¶ËÖÐת³¡×°±¸½¨É裻£»£»

2.4¹¤³ÌͶ×Ê£º±¾´ÎÕбêµÄ×î¸ßÏÞ¼Û19.68ÍòÔª£»£»£»

2.5ÍýÏ빤ÆÚ£º30ÈÕÀúÌ죻£»£»

2.6ÖÊÁ¿ÒªÇ󣺼°¸ñ¡£¡£ ¡£¡£ ¡£

3.Ͷ±êÈË×ʸñÒªÇó

3.1±¾´ÎÕбêÒªÇóͶ±êÈËÐë¾ß±¸£ººâÓîÐÞ½¨¹¤³ÌÊ©¹¤×ܳаüÈý¼¶¼°ÒÔÉÏ×ÊÖÊ£¬£¬£¬£¬²¢ÔÚÖ°Ô±¡¢×°±¸¡¢×ʽðµÈ·½Ãæ¾ßÓÐÏìÓ¦µÄÊ©¹¤ÄÜÁ¦¡£¡£ ¡£¡£ ¡£

ÏîÄ¿ÈÏÕæÈË£¨ÏîĿ˾Àí£©Ðë¾ß±¸£ººâÓîÐÞ½¨¹¤³Ìרҵ¶þ¼¶¼°ÒÔÉÏ×¢²áÖÆ×÷ʦִҵ×ʸñ¡£¡£ ¡£¡£ ¡£

3.2±¾´ÎÕб겻½ÓÊÜÁªºÏÌåͶ±ê¡£¡£ ¡£¡£ ¡£

4.ÕбêÎļþµÄ»ñÈ¡

4.1·²ÓÐÒâ¼ÓÈëͶ±êÕߣ¬£¬£¬£¬ÇëǰÍùÎÂÖÝÊÐÀÖÓãleyuɰʯÁÏÓÐÏÞ¹«Ë¾209°ì¹«ÊÒ±¨Ãû¡£¡£ ¡£¡£ ¡£

4.2 ±¨Ãûʱ¼ä£º2020Äê06ÔÂ15ÈÕ¡ª2020Äê06ÔÂ18ÈÕ£¬£¬£¬£¬ÉÏÎç09:00-11:30£¬£¬£¬£¬ÏÂÖç14:30-16:30£¨±±¾©Ê±¼ä£¬£¬£¬£¬ÏÂͬ£©£»£»£»

5.Ͷ±êÎļþµÄµÝ½»

5.1 Ͷ±êÎļþµÝ½»µÄ×èֹʱ¼ä£¨Í¶±ê×èֹʱ¼ä£¬£¬£¬£¬ÏÂͬ£©£º2020Äê06ÔÂ19ÈÕ10ʱ00·ÖÖ¹£»£»£» 

5.2 ÓâÆÚËÍ´ïµÄ»òÕßδËÍ´ïÖ¸¶¨ËùÔÚµÄͶ±êÎļþ£¬£¬£¬£¬ÕбêÈ˲»ÓèÊÜÀí¡£¡£ ¡£¡£ ¡£

6.ÆäËûÓйØÄÚÈÝ

6.1ÆÀ±êÒªÁ죺×îµÍ¼ÛÖбꣻ£»£»

6.2Öб귽·¨£º¾­ÒµÖ÷ÆÀ±êС×éÉóºËÇкÏÒªÇ󣬣¬£¬£¬Ô­ÔòÉÏÒÔ±¨¼Û×îµÍµÄµ¥Î»ÎªÖб굥룬£¬£¬£¬±¨¼ÛÏàͬ£¬£¬£¬£¬Ôò³éÇ©¾öÒéÖб굥λ£»£»£»

7.ÁªÏµ·½·¨

ÕбêÈË£ºÎÂÖÝÊÐÀÖÓãleyuɰʯÁÏÓÐÏÞ¹«Ë¾

µØµã£ºÎÂÖÝÊÐÁúÍå±õº£¿£¿£¿£¿Õ¸ÛÐÂÇø½ðº£¶þµÀÀÖÓãleyu°ü¹Ü»ùµØ

Áª ϵ ÈË£ºÇ®ÏÈÉú

µç   »°£º85851963

 

 

ÎÂÖÝÊÐÀÖÓãleyuɰʯÁÏÓÐÏÞ¹«Ë¾

2020Äê06ÔÂ15ÈÕ

¸½¼þ£º1.¸½¼þ.doc

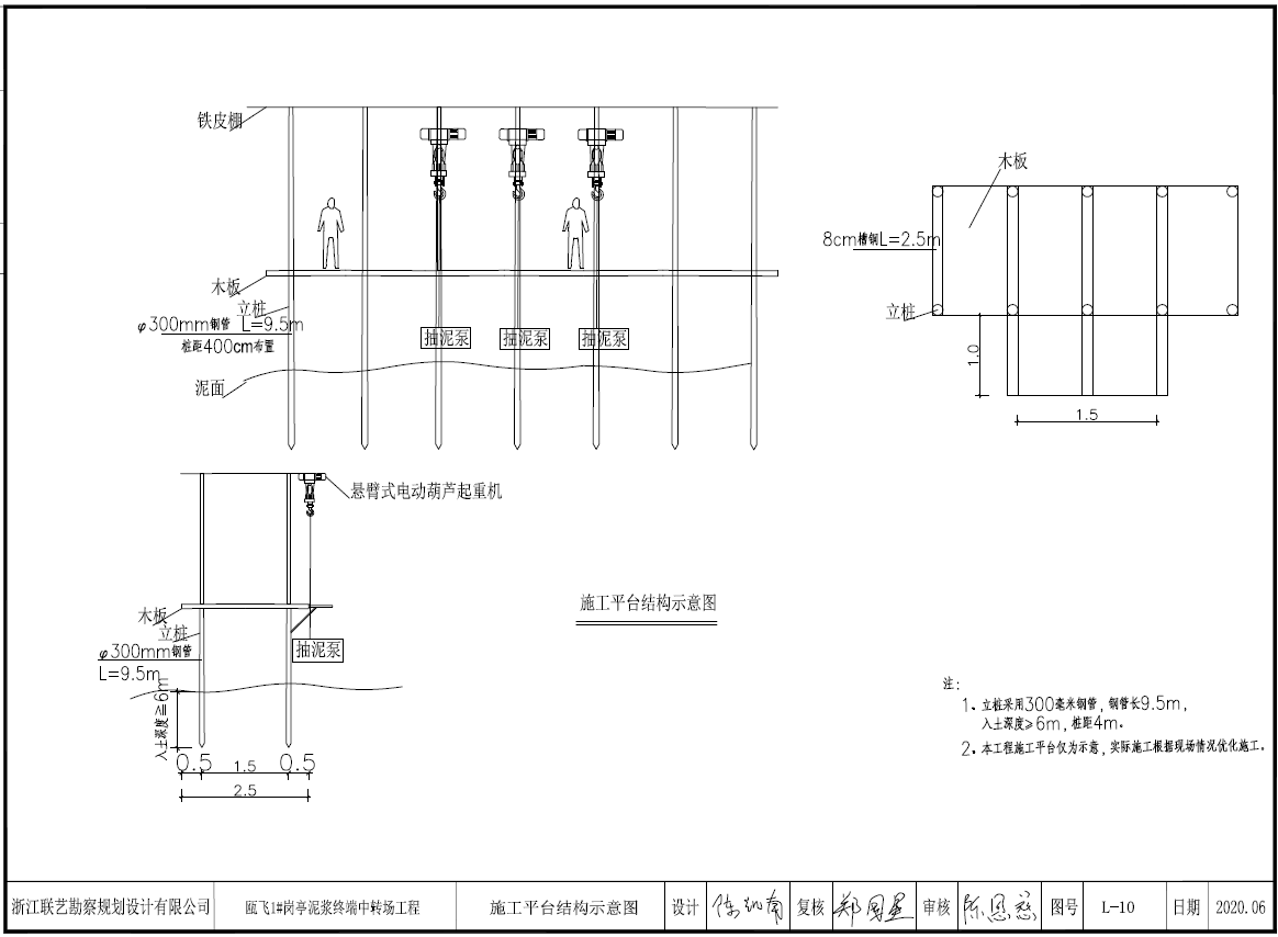
    2.½á¹¹Ê¾Òâͼ.png



 


¡¾×ÖÌå´óС£¡£ ¡£¡£ ¡£º´ó ÖРС¡¿
¡¾·µ»Ø¡¿¡¾´òÓ¡¡¿¡¾¹Ø±Õ¡¿